Fujitsu VRF Plus / Kompakt Kaset |
Standart tavan paneline (600x600mm) uyum sağlayan
küçük boyutlu estetik panel tasarımı.
Modeller
AUXB07LALH
AUXB09LALH
AUXB12LALH
AUXB14LALH
AUXB18LALH
AUXB24LALH |
| |
2- kademeli turbo fan |
| |
|
2 basamaklı yapıdan kaynaklanan yüksek verimli tasarım

|
Sessiz ve Performanslı
Pervane kanat biçimi (düzgün kanat tipi) ve kanat
sayısı (7 kanat herbirinde) optimize edilmiştir.CFD - analizi (akışkan) simulasyonu kullanılarak tasarlanmıştır.

|
| |
|
TEKNİK ÖZELLİKLER
|
| |
|
| Model Adı |
AUXB07LALH |
AUXB09LALH |
AUXB12LALH |
AUXB14LALH |
AUXB18LALH |
AUXB24LALH |
| Güç kaynağı |
230V~50Hz |
| Kapasite |
Soğutma |
kW |
2.2 |
2.8 |
3.6 |
4.5 |
5.6 |
7.1 |
| Isıtma |
2.8 |
3.2 |
4.1 |
5.0 |
6.3 |
8.0 |
| Giriş gücü |
W |
25 |
25 |
29 |
35 |
36 |
84 |
| Hava debisi |
Yüksek |
m3/ h |
540 |
550 |
600 |
680 |
690 |
1.030 |
| Orta |
450 |
450 |
530 |
570 |
580 |
830 |
| Düşük |
350 |
350 |
390 |
390 |
400 |
450 |
| Ses seviyesi |
Yüksek |
dB(A) |
34 |
35 |
37 |
38 |
41 |
50 |
| Orta |
30 |
30 |
34 |
34 |
35 |
44 |
| Düşük |
25 |
25 |
27 |
27 |
27 |
30 |
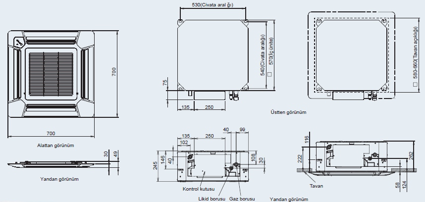
| Boyutlar (H x W x D) |
mm |
245 x 570 x 570 |
| Ağırlık |
kg |
15 |
17 |
| Bağlantı
borusu çapı |
|
Likit |
mm |
ø6 35 |
ø9.52 |
| |
Gaz |
ø12.70 |
ø15.88 |
| |
Kanal |
ø25 (I.D) ;ø32 (O.D.) |
Panel
(Opsiyonel) |
Model adı |
UTG-UF*B-W |
| Boyutlar (H x W x D) |
mm |
50 x 700 x 700 |
| Ağ rl k |
kg |
2.6 |
|
| |
|
Kolay bakım
| 1. Fan motoru ve fanı bakımı |
 |
Fan motorunun ve fanın bakımı, paneli ç kardıktan
sonra kolayca yapılabilir; çünkü çıkarılması çok kolaydır. |
| A: Fan motor |
B: 2-kademeli fan |
| C: Fan çevre parçası |
D: Panel |
| |
|
2. Uzun Ömürlü filtre: Standart ekipman |
| 3. Drenaj parçalarının adaptasyonu |
| Montaj esansında drenaj pompası ve kitinin çalışıp çalışmadığı kolayca kontrol edilebilir. |
|
Yüksek tavan modu
Bu kompakt kaset modeli ile cihaz 3.5 metre
yükseğe kurulduğu durumda iken dahi
oda zeminine yeterli hava ulaşması
imkanı verir.

|
| |
|
Kompakt tasarım |
| |
|
(600 x 600 ölçüsünde satandart tavan paneline kolayca montajlanabilir.)
600 x 600 Kompakt kaset model kategorisinde dünyada ilk kez 24,000Btu

|
| |
|
Yüksek basma özellikli drenaj pompası

|
Opsiyonel parçalar
BHava Çıkışı Paneli UTR-YDZB
|
| |
|
Boyutlar
Modeller: AUXB07 / AUXB09 / AUXB12 / AUXB14 / AUXB18 / AUXB24
(Birim : mm)

|